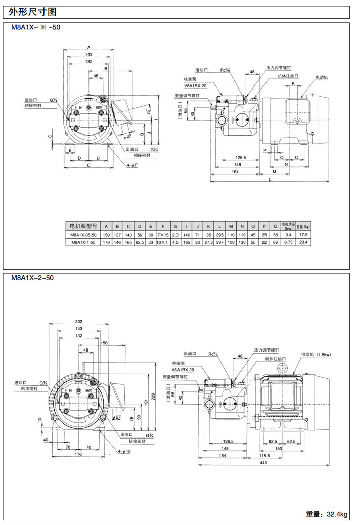
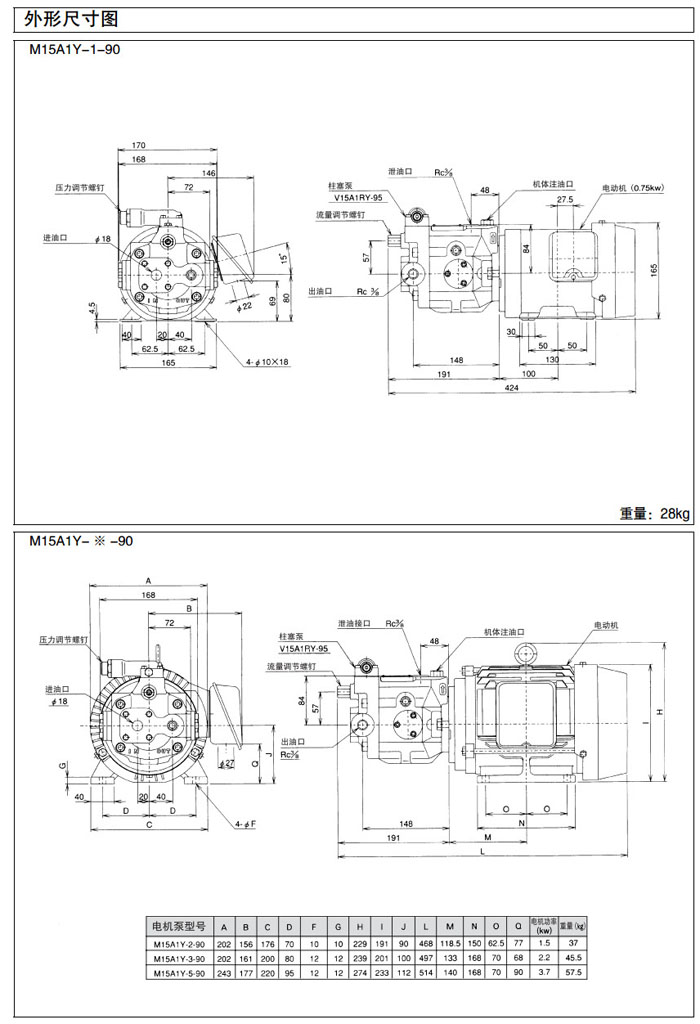
M8A,M15A,M23A,M38A,M8A1X-05-50,M15A1X-1-90,M23A1X-3-60,M38A1X-3-70,DAIKIN電機泵

















M8A1X-1-50,M8A1X-2-50,M15A2X-1-90,M15A3X-1-90,M15A1X-2-90,M15A1X-3-90,M15A1X-5-90,M15A2X-2-90,
M15A2X-3-90,M15A2X-5-90,M15A3X-2-90,M15A3X-3-90,M15A3X-5-90,M15A1-1-90,M15A2-1-90,M15A3-1-90,
M15A2-2-90,M15A2-3-90,M15A2-5-90,DAIKIN M15A2-2-90,M15A2-3-90,M15A2-5-90,M15A3-2-90,M15A3-3-90,
M15A3-5-90,M15A3-2-90,M15A3-3-90,M15A3-5-90,M15A1Y-1-90,M15A1Y-2-90,M15A1Y-3-90,M15A1Y-5-90,
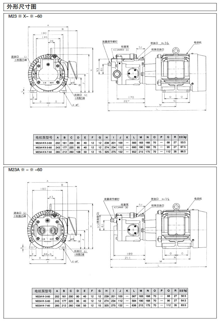
M23A2X-3-60,M23A3X-3-60,M23A1X-5-60,M23A2X-5-60,M23A3X-5-60,M23A1X-7-60,M23A2X-7-60,M23A3X-7-60,
M23A1-3-60,M23A2-3-60,M23A3-3-60,M23A1-5-60,M23A2-5-60,M23A3-5-60,M23A1-7-60,M23A2-7-60,M23A3-7-60,
M38A2X-3-70,M38A3X-3-70,M38A1X-5-70,M38A2X-5-70,M38A3X-5-70,M38A1X-7-70,M38A2X-7-70,M38A3X-7-70,
M38A1X-10-70,M38A2X-10-70,M38A3X-10-70,M38A1-3-70,M38A1-3-70,M38A1-3-70,M38A1-5-70,M38A1-5-70,
M38A1-5-70,M38A1-7-70,M38A1-7-70,CCLAIR M38A1-7-70,M38A1-10-70,M38A1-10-70,M38A1-10-70,