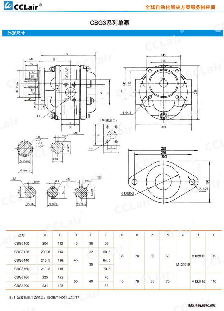
CBG3125/3125,CBG3140/3140,CBG3160/3160,CBG3180/3180,CBG3200/3200,雙聯(lián)齒輪泵


CBG1020,CBG1032,CBG1040,CBG1050,CBG2032,CBG2055,CBG2063,CBG2080,CBG2100,CBG3100,CBG3125,
CBG3180,CBG1A016,CBG1A032,CBG1A040,CBG1A045,CBG3100,CBG3125,CBG3140,CBG3160,CBG3180,CBG3200,