|
公司基本資料信息
|
|||||||||||||||
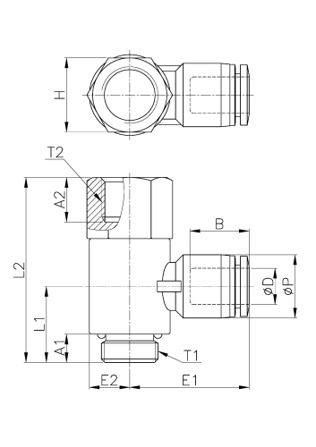
PHF04-G01,PHF06-G01,PHF08-G01,PHF10-G01,PHF12-G02,快插式管接頭
| Model | ∅D | ∅P | T1 | T2 | L1 | L2 | E1 | E2 | A1 | A2 | B | H(Hex) | ORIFICE | WEIGHT(g) | EA(BOX) |
| PHF04-G01 | 4 | 10.5 | G 1/8 | G 1/8 | 14 | 33.9 | 23.3 | 7.7 | 5 | 9 | 14.8 | 14 | 3.2 | 22 | 50 |
| PHF04-G02 | 4 | 10.5 | G 1/4 | G 1/4 | 17.5 | 42.4 | 25.1 | 9.3 | 6.5 | 12 | 14.8 | 17 | 3.2 | 39 | 50 |
| PHF04-G03 | 4 | 10.5 | G 3/8 | G 3/8 | 17.5 | 44.4 | 27 | 11.2 | 6.5 | 13 | 14.8 | 21 | 3.2 | 60 | 25 |
| PHF04-G04 | 4 | 10.5 | G 1/2 | G 1/2 | 20 | 49.9 | 29 | 13.4 | 8 | 16 | 14.8 | 24 | 3.2 | 75 | 25 |
| PHF06-G01 | 6 | 12.5 | G 1/8 | G 1/8 | 14 | 33.9 | 24.1 | 7.7 | 5 | 9 | 16.4 | 14 | 4 | 22 | 50 |
| PHF06-G02 | 6 | 12.5 | G 1/4 | G 1/4 | 17.5 | 42.4 | 26 | 9.3 | 6.5 | 12 | 16.4 | 17 | 5 | 39 | 50 |
| PHF06-G03 | 6 | 12.5 | G 3/8 | G 3/8 | 17.5 | 44.4 | 27.9 | 11.2 | 6.5 | 13 | 16.4 | 21 | 5 | 61 | 25 |
| PHF06-G04 | 6 | 12.5 | G 1/2 | G 1/2 | 20 | 49.9 | 29.3 | 13.4 | 8 | 16 | 16.4 | 24 | 5 | 76 | 25 |
| PHF08-G01 | 8 | 14.5 | G 1/8 | G 1/8 | 14 | 33.9 | 25.6 | 7.7 | 5 | 9 | 18.3 | 14 | 5 | 25 | 50 |
| PHF08-G02 | 8 | 14.5 | G 1/4 | G 1/4 | 17.5 | 42.4 | 27.4 | 9.3 | 6.5 | 12 | 18.3 | 17 | 7 | 40 | 50 |
| PHF08-G03 | 8 | 14.5 | G 3/8 | G 3/8 | 17.5 | 44.4 | 29.3 | 11.2 | 6.5 | 13 | 18.3 | 21 | 7 | 62 | 25 |
| PHF08-G04 | 8 | 14.5 | G 1/2 | G 1/2 | 20 | 49.9 | 30.7 | 13.4 | 8 | 16 | 18.3 | 24 | 7 | 78 | 20 |
| PHF10-G01 | 10 | 17.5 | G 1/8 | G 1/8 | 14 | 33.9 | 28.1 | 7.7 | 5 | 9 | 20.2 | 14 | 5 | 27 | 25 |
| PHF10-G02 | 10 | 17.5 | G 1/4 | G 1/4 | 17.5 | 42.4 | 29.8 | 9.3 | 6.5 | 12 | 20.2 | 17 | 8 | 44 | 25 |
| PHF10-G03 | 10 | 17.5 | G 3/8 | G 3/8 | 17.5 | 44.4 | 31.9 | 11.2 | 6.5 | 13 | 20.2 | 21 | 8 | 64 | 25 |
| PHF10-G04 | 10 | 17.5 | G 1/2 | G 1/2 | 20 | 49.9 | 33.7 | 13.4 | 8 | 16 | 20.2 | 24 | 8 | 80 | 20 |
| PHF12-G02 | 12 | 20.5 | G 1/4 | G 1/4 | 17.5 | 42.4 | 33 | 9.3 | 6.5 | 12 | 22.9 | 17 | 8 | 44 | 25 |
| PHF12-G03 | 12 | 20.5 | G 3/8 | G 3/8 | 17.5 | 44.4 | 35.1 | 11.2 | 6.5 | 13 | 22.9 | 21 | 8 | 68 | 25 |
| PHF12-G04 | 12 | 20.5 | G 1/2 | G 1/2 | 20 | 49.9 | 37.4 | 13.4 | 8 | 16 | 22.9 | 24 | 8 | 90 | 20 |
外形尺寸
